DC Motors
4792 Active
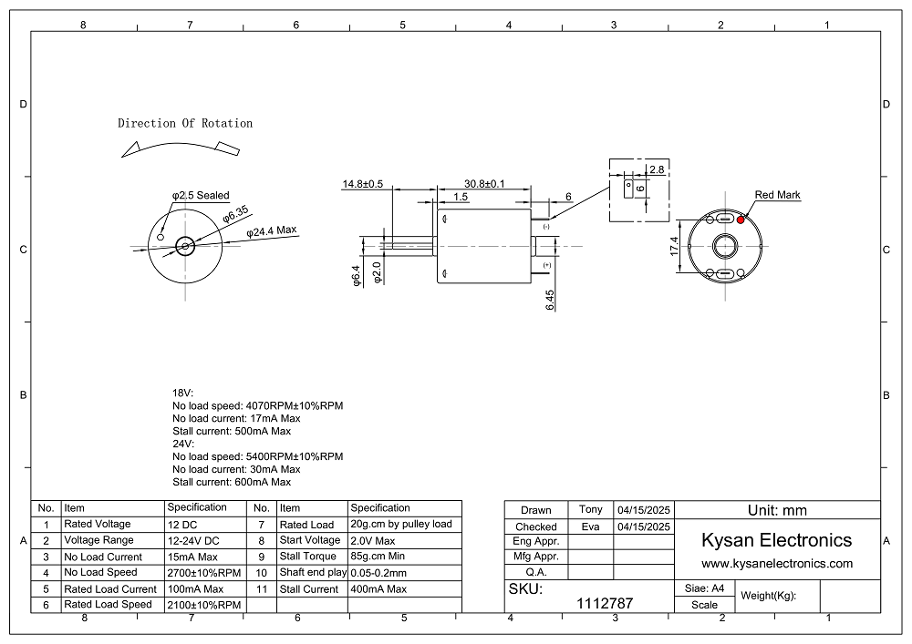
Data Group: 4792
SKU: 1112787
Weight (Kg): 0.5000
Decsription: RF-370CB-24V5350-H
HS Code:
Applications:

©2003 KYSAN ELECTRONICS All Rights Reserved! www.kysanelectronics.com