DC Motors
4807 Active
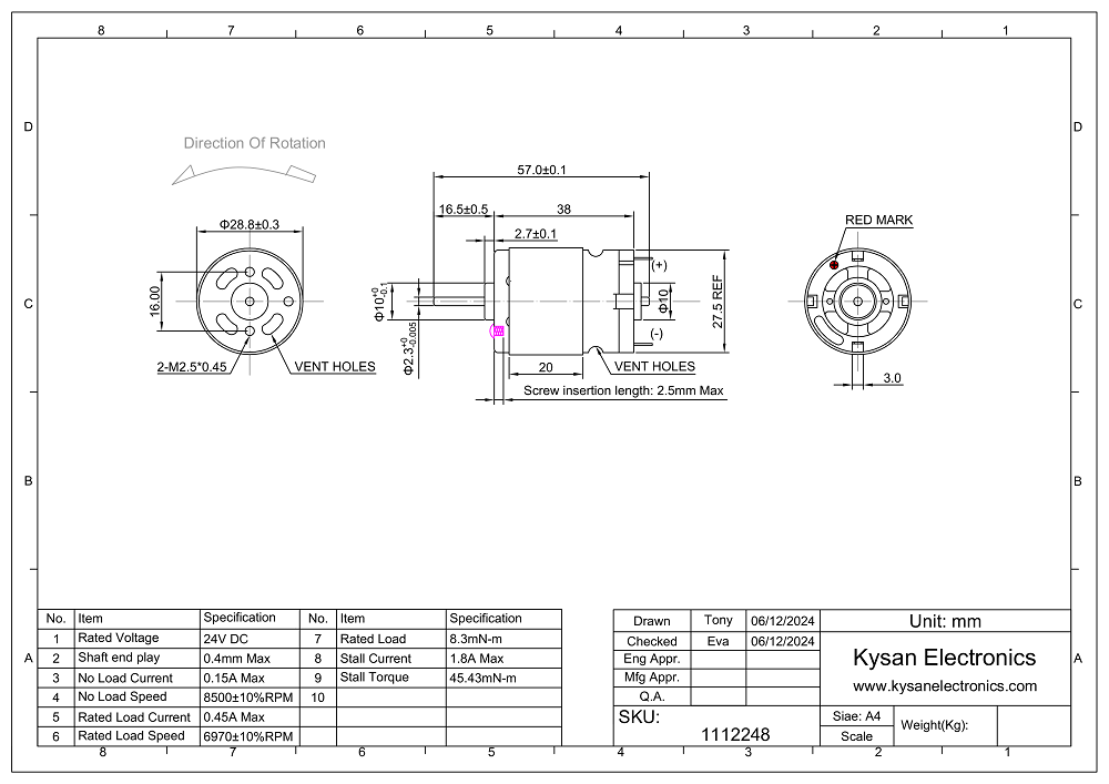
Data Group: 4807
SKU: 1112248
Weight (Kg): 0.5000
Decsription: RS-385SA-13147-16.5
HS Code:
Applications:

©2003 KYSAN ELECTRONICS All Rights Reserved! www.kysanelectronics.com