Planetary Motors
4876 Active
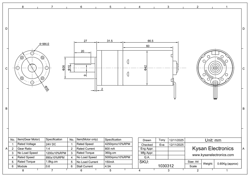
Data Group: 4876
SKU: 1030312
Weight (Kg): 2.0000
Decsription: TG-42GMP-24V1/4-1200B
HS Code:
Applications:

©2003 KYSAN ELECTRONICS All Rights Reserved! www.kysanelectronics.com