Planetary Motors
4880 Active
Data Group: 4880
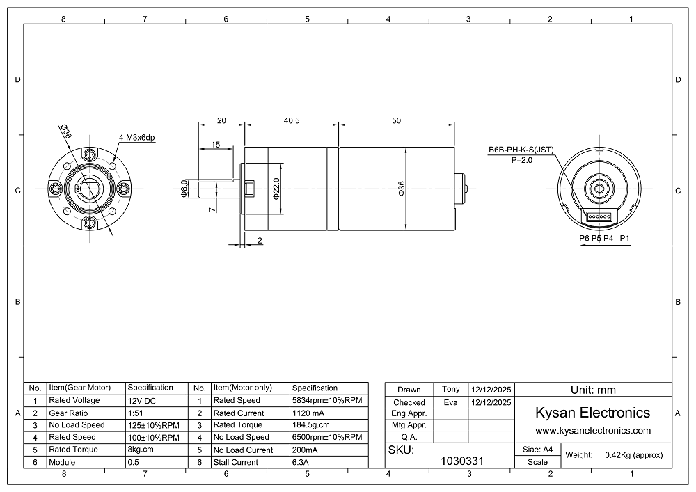
SKU: 1030331
Weight (Kg): 1.0000
Decsription: TG-36GMP-12V1/51-125B
HS Code:
Applications:

©2003 KYSAN ELECTRONICS All Rights Reserved! www.kysanelectronics.com