Planetary Motors
4884 Active
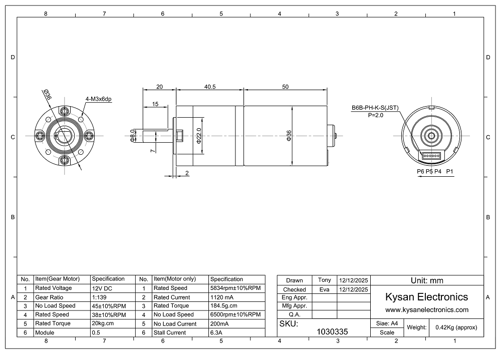
Data Group: 4884
SKU: 1030335
Weight (Kg): 1.0000
Decsription: TG-36GMP-12V1/139-45B
HS Code:
Applications:

©2003 KYSAN ELECTRONICS All Rights Reserved! www.kysanelectronics.com