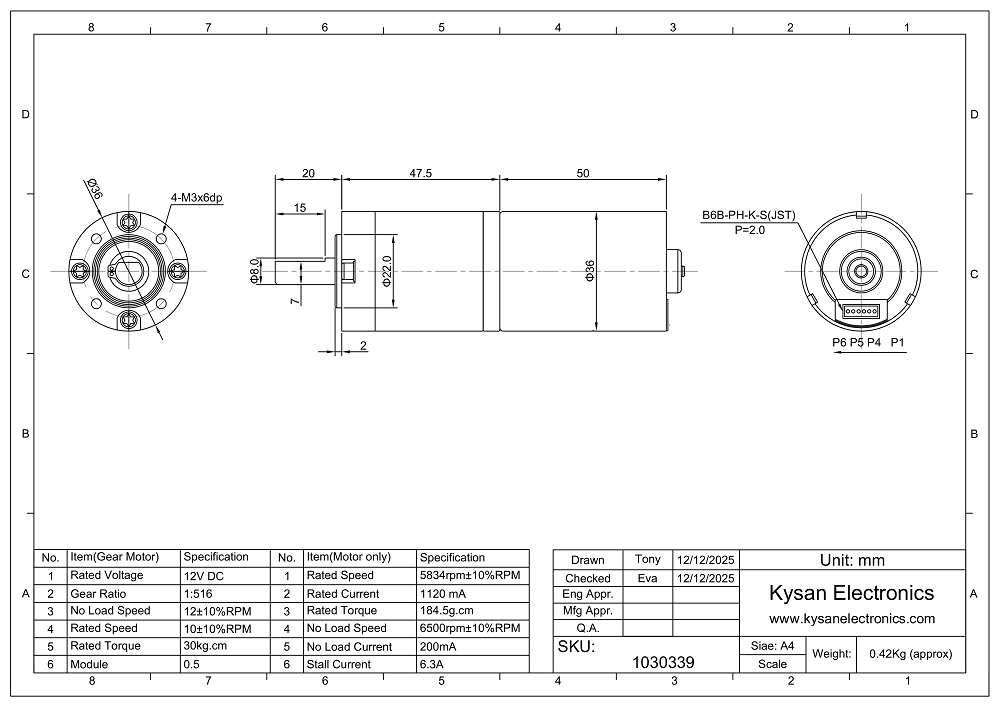
Planetary Motors
4888 Active
Data Group: 4888
SKU: 1030339
Weight (Kg): 1.0000
Decsription: TG-36GMP-12V1/516-12B
HS Code:
Applications:

©2003 KYSAN ELECTRONICS All Rights Reserved! www.kysanelectronics.com