Planetary Motors
4890 Active
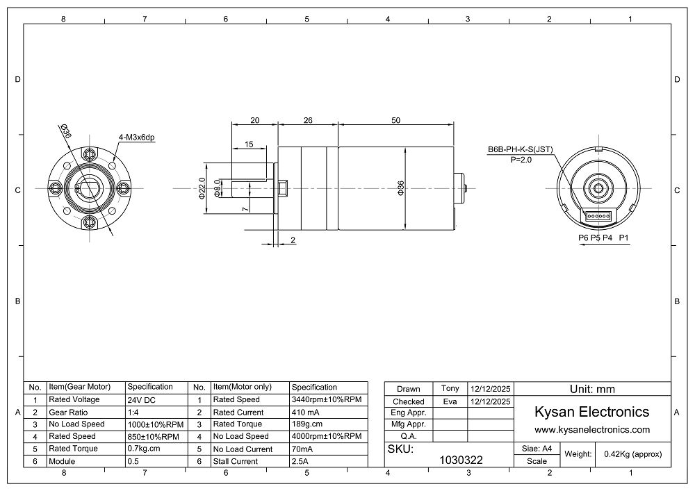
Data Group: 4890
SKU: 1030322
Weight (Kg): 1.0000
Decsription: TG-36GMP-24V1/4-1000B
HS Code:
Applications:

©2003 KYSAN ELECTRONICS All Rights Reserved! www.kysanelectronics.com