Planetary Motors
4893 Active
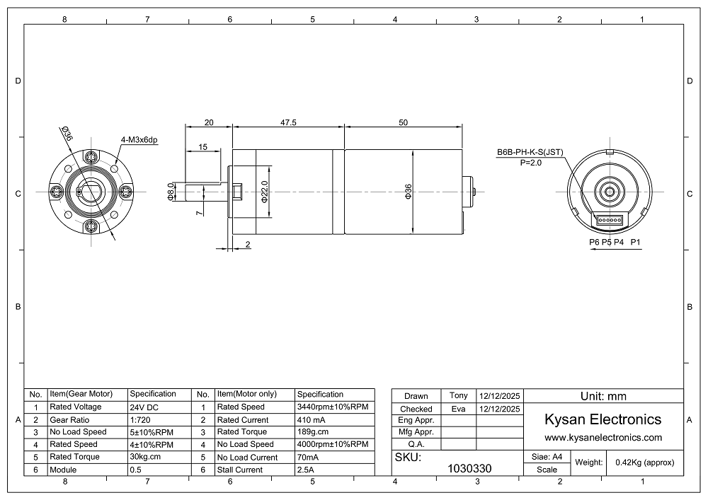
Data Group: 4893
SKU: 1030330
Weight (Kg): 1.0000
Decsription: TG-36GMP-24V1/720-5B
HS Code:
Applications:

©2003 KYSAN ELECTRONICS All Rights Reserved! www.kysanelectronics.com