Stepper Motors
2699 Active
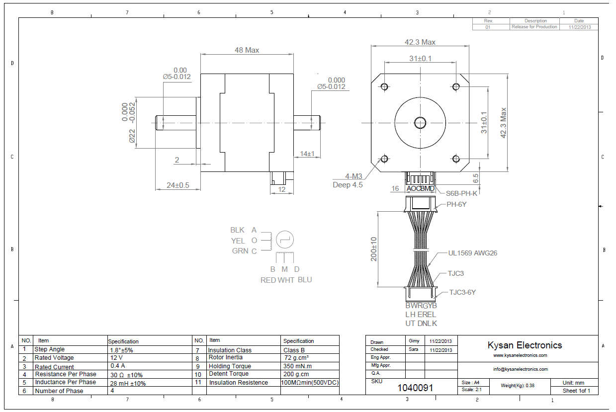
Data Group: 2699
SKU: 1040091
Weight (Kg): 1.0000
Decsription: 42BYG48U-18T35
HS Code: 8483.40.9000
Applications: Office automation, banking equipment, auto control unit, telecommunication, home appliances, machine

©2003 KYSAN ELECTRONICS All Rights Reserved! www.kysanelectronics.com