Stepper Motors
4340 Active
Data Group: 4340
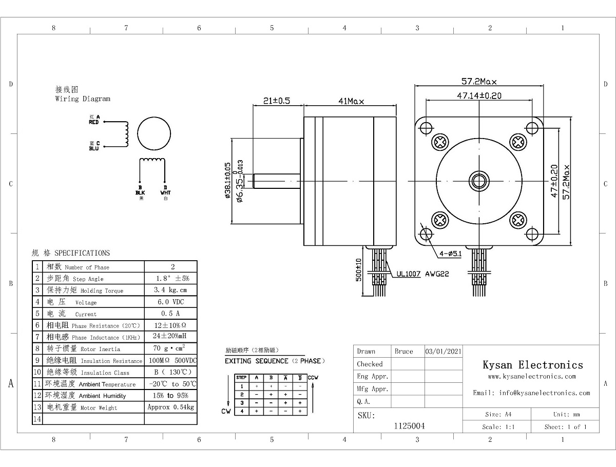
SKU: 1125004
Weight (Kg): 3.0000
Decsription: 57BYG061
HS Code:
Applications:

©2003 KYSAN ELECTRONICS All Rights Reserved! www.kysanelectronics.com