Stepper Motors
2782 Active
Data Group: 2782
SKU: 1133001
Weight (Kg): 0.2000
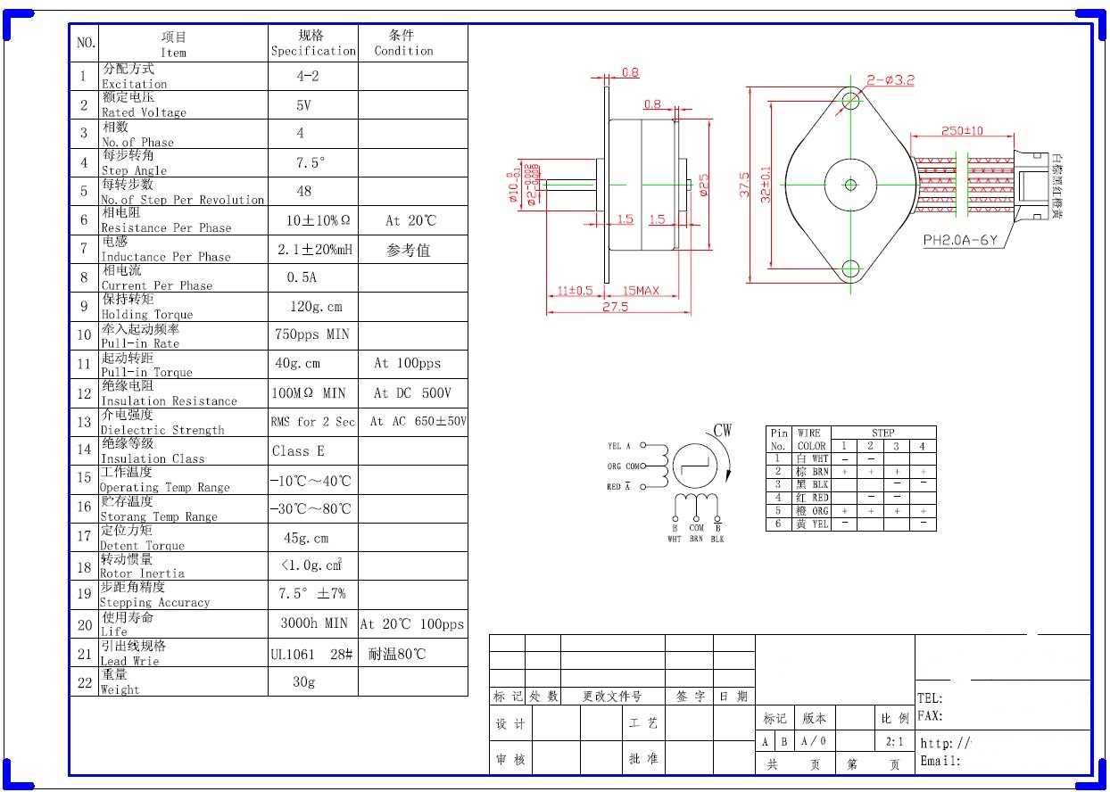
Decsription: 25BY4801
HS Code: 8483.40.9000
Applications:

©2003 KYSAN ELECTRONICS All Rights Reserved! www.kysanelectronics.com