Stepper Motors
2658 Active
Data Group: 2658
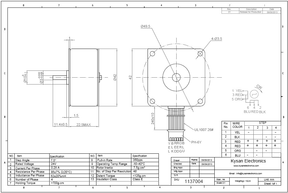
SKU: 1137004
Weight (Kg): 2.0000
Decsription: 42BY48H07
HS Code: 8483.40.9000
Applications:

©2003 KYSAN ELECTRONICS All Rights Reserved! www.kysanelectronics.com