Stepper Motors
3952 Active
Data Group: 3952
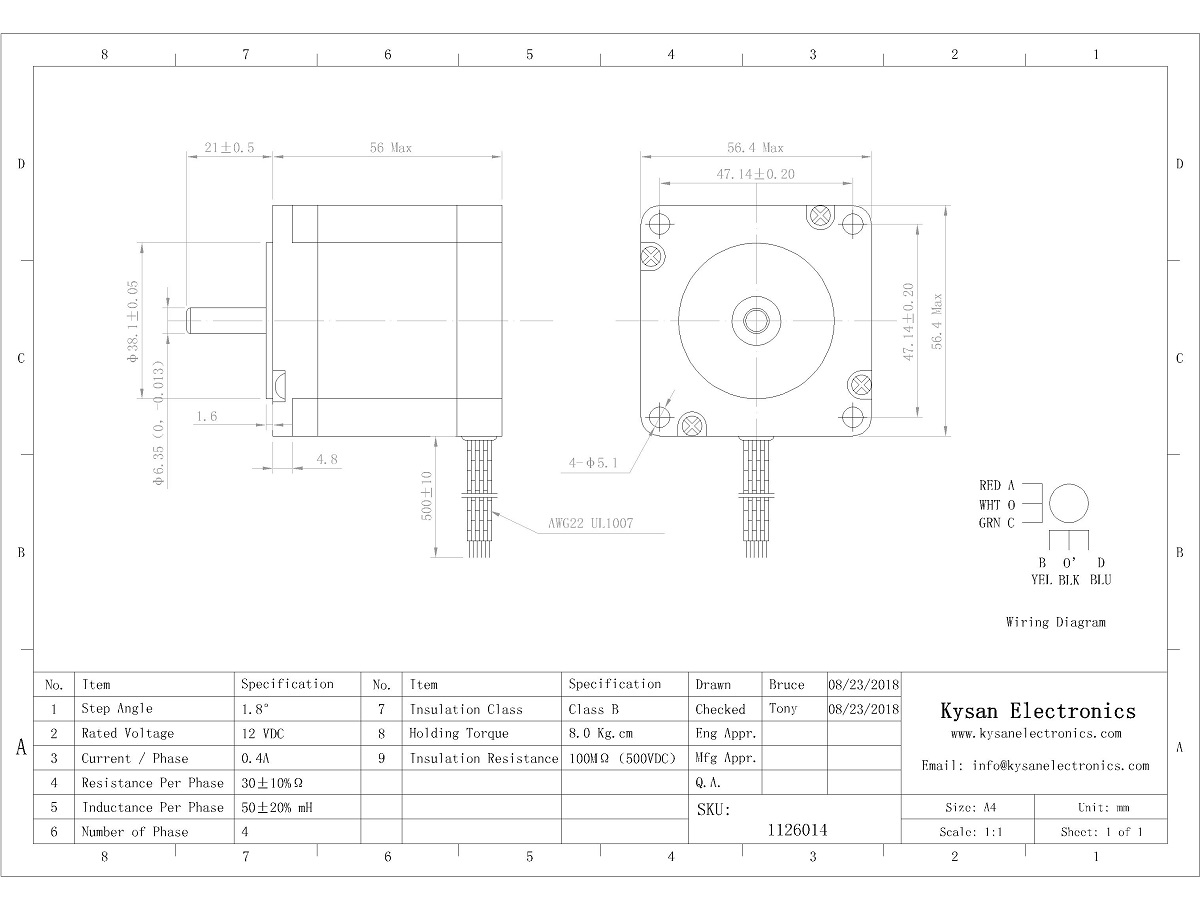
SKU: 1126014
Weight (Kg): 3.0000
Decsription: 57BYGH207
HS Code:
Applications:

©2003 KYSAN ELECTRONICS All Rights Reserved! www.kysanelectronics.com