Stepper Motors
2620 Active
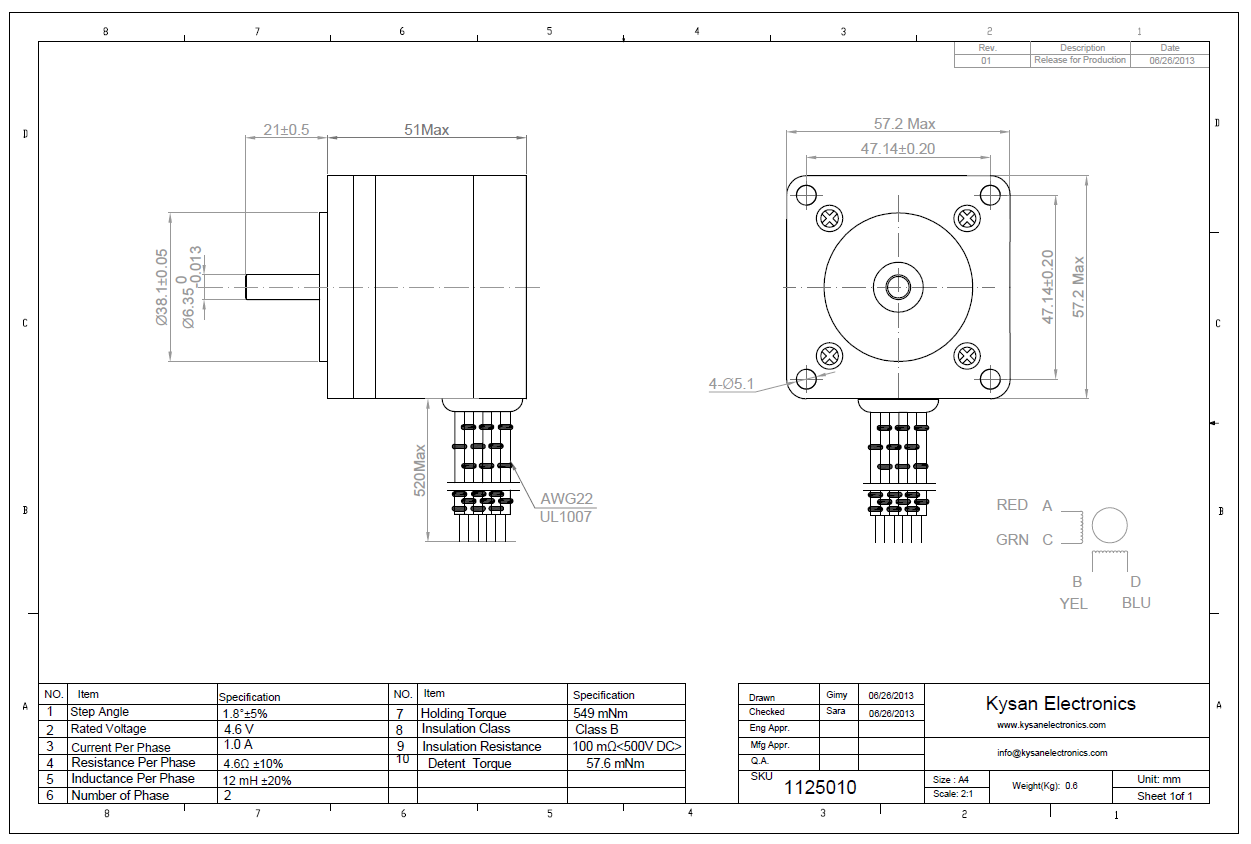
Data Group: 2620
SKU: 1125010
Weight (Kg): 3.0000
Decsription: 57BYG027
HS Code: 8483.40.9000
Applications:

©2003 KYSAN ELECTRONICS All Rights Reserved! www.kysanelectronics.com