Stepper Motors
2033 Active
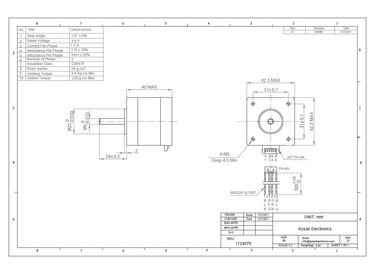
Data Group: 2033
SKU: 1124079
Weight (Kg): 2.0000
Decsription: 42BYG40B-18T34
HS Code: 8483.40.9000
Applications: Office Automation, banking equipment, Automobil control unit, telecom, home appliance

©2003 KYSAN ELECTRONICS All Rights Reserved! www.kysanelectronics.com