AC Motors
3046 Active
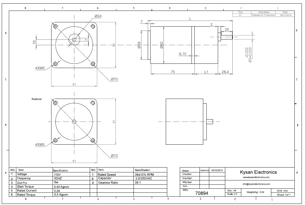
Data Group: 3046
SKU: 70894
Weight (Kg): 6.0000
Decsription: 60YN06-110V38RPM
HS Code: 8501.31.4000
Applications:

©2003 KYSAN ELECTRONICS All Rights Reserved! www.kysanelectronics.com