DC Motors
241 Active
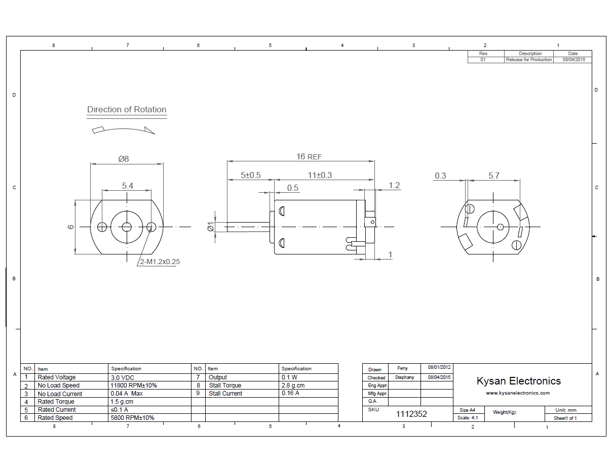
Data Group: 241
SKU: 1112352
Weight (Kg): 0.1000
Decsription: FF-K10WA-3V13000RPM
HS Code: 8501.31.6000
Applications: Door Closer,Massager, Vibrator, Printer, Toys

©2003 KYSAN ELECTRONICS All Rights Reserved! www.kysanelectronics.com