Stepper Motors
1639 Active
Data Group: 1639
SKU: 1040103
Weight (Kg): 1.0000
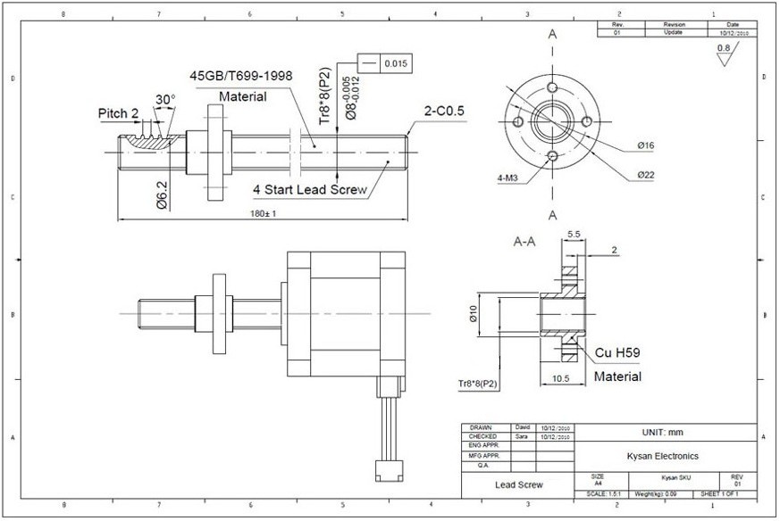
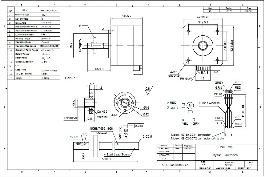
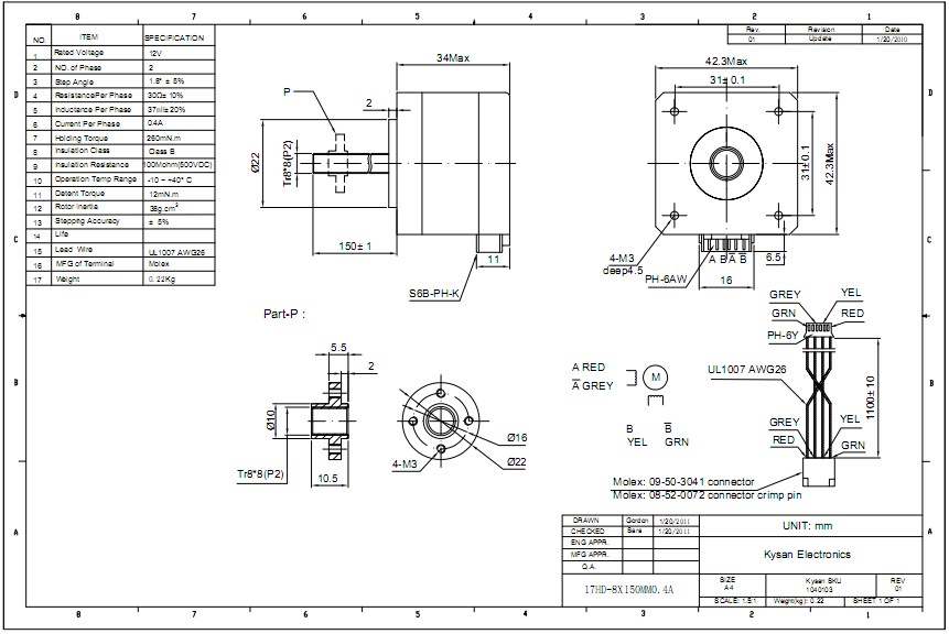
Decsription: 17HD-B8X150-0.4A
HS Code: 8483.40.9000
Applications: Printers
Untitled Document
KYSAN SKU MFG Model Step Angle No. of Phase Voltage (V) Current (A) Resistance (O) Inductance (mH) Holding Torque (mN.m) Detent Torque (mN.m) Weight (Kg) Rotor Inertia (g.cm2)
1040103 17HD-8X150MM0.4A 1.8 2 12 0.4 30±10% 37±20% 260 12 0.2 38

Motor Connector PH-6Y and header PH-6AW specifications


©2003 KYSAN ELECTRONICS All Rights Reserved! www.kysanelectronics.com