Panel Meters
2334 Active
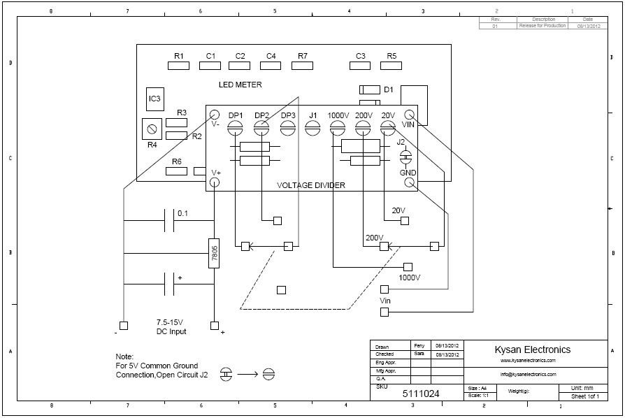
Data Group: 2334
SKU: 5111024
Weight (Kg): 0.2000
Decsription: KS-VD-1
HS Code: 8531.20.0020
Applications:

©2003 KYSAN ELECTRONICS All Rights Reserved! www.kysanelectronics.com